Микросхемы ШИМ неизолированных AC/DC DK
Позволяют построить простой неизолированный AC/DC преобразователь с минимальным количеством используемых компонентов: не требуется трансформатор, оптопара, цепь стабилизации состоит из 2-х резисторов. ИС серии 5 могут использоваться в источниках питания дежурного режима систем промавтоматики, датчиков, приборов учета, а также бытовой техники.
- Выходная мощность: до 20 Вт
- Рабочее напряжение ключевого транзистора: 700 В
- Отсутствие трансформатора и оптопары
- Топология: понижающий / повышающий преобразователь
- Малое энергопотребление: < 75 мВт в режиме ожидания
- Внутренняя схема компенсации частотного джиттера и снижения частоты при небольшой нагрузке
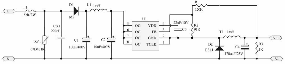
Рис. 1. Типовая схема построения неизолированного AC/DC преобразователя на основе ИС серии 5.
| Партномер | Характеристика | Макс. напряж. ключа | Потребл. в деж. режиме | Вых. напр. и ток | Порог огранич. выходн. тока | Корпус | Напр. питания ИС |
| DK503 | CV Buck/Buck-boost Converter |
700 В |
< 100 мВт | 5 В, 0,25 A 12 В, 0,25 A | SOP8 / DIP8 | Self-powered | |
| DK5360 | CV Buck Converter | 680 В | < 100 мВт |
5 В, 250 мА |
SOP-8 | Self-powered | |
| DK5710 | High performance AC-DC Converter | 650 В | < 75 мВт |
3,3 В ~ 24 В /
20 Вт |
1,2 A | SOP-8 | 11 В - 13 В |
| DK5320 | CV Buck Converter | 650 В | < 75 мВт |
5 В, 300 мА |
0,5 A | SOP-8 | Self-powered |
| DK5030 | Non-inductive AC Linear Regulator | 650 В | < 15 мВт |
5 В, 20 мА
3,3 В, 30,3 мА 2,7 В, 37 мА |
0,16 A | SOP-8 | Self-powered |
| DK501 | CV Buck/Buck-boost Converter | 700 В |
< 100 мВт |
5 В, 0,25 А 12 В, 0,25 A | 0,48 A | SOP8 / DIP8 | Self-powered |